当前位置:主页国家标准

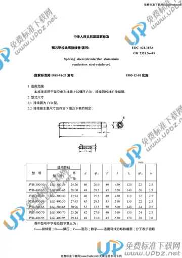
GB 2331.5-1985 钢芯铝铰线用接续管(圆形)

GB 2331.5-1985 钢芯铝铰线用接续管(圆形)

splicing sleeve(circular) for aluminium conductors steel-reinforced

GB 2331.5-1985

国家标准推荐性

标准详情

  • 标准名称:钢芯铝铰线用接续管(圆形)
  • 标准号:GB 2331.5-1985
    中国标准分类号:
  • 发布日期:1985-01-23
    国际标准分类号:K51
  • 实施日期:1985-12-01
    技术归口:
  • 代替标准:调整为DL/T 758-2001
    批准发布部门:
  • 标准分类:电工发电用动力设备电站设备自动化装置

内容简介

起草单位

起草人

相近标准

* 特别声明:资源收集自网络或用户上传,本网站所提供的电子文本仅供参考,请以正式出版物为准。电子文本仅供个人标准化学习、研究使用,不得复制、发行、汇编、翻译或网络传播等。如有侵权,请及时联系我们!

相关推荐