当前位置:主页行业标准

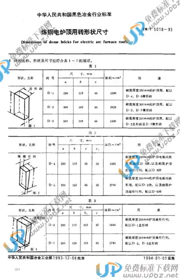
YB/T 5018-1993(2012) 炼钢电炉顶用砖形状及尺寸

YB/T 5018-1993(2012) 炼钢电炉顶用砖形状及尺寸

YB/T 5018-1993(2012)

行业标准-黑色治金推荐性

标准详情

  • 标准名称:炼钢电炉顶用砖形状及尺寸
  • 标准号:YB/T 5018-1993(2012)
    中国标准分类号:CCS15,
  • 发布日期:1993-01-01
    国际标准分类号:1104.1117.
  • 实施日期:1993-01-01
    技术归口:
  • 代替标准:
    批准发布部门:
  • 标准分类:玻璃和陶瓷工业耐火材料建材耐火材料综合

内容简介

起草单位

起草人

相近标准

* 特别声明:资源收集自网络或用户上传,本网站所提供的电子文本仅供参考,请以正式出版物为准。电子文本仅供个人标准化学习、研究使用,不得复制、发行、汇编、翻译或网络传播等。如有侵权,请及时联系我们!

相关推荐